DILLON LAB
BLIZARD INSTITUTE & ACADEMIC CENTRE FOR HEALTHY AGEING,
QUEEN MARY UNIVERSITY OF LONDON
What we do
Our research seeks to understand how the extracellular matrix of musculoskeletal tissues is built, organised and altered in health, disease and ageing. The matrix is a complex, living composite of proteins, polysaccharides and mineral crystals whose precise nanoscale architecture determines the strength, resilience and biological function of tissues such as bone. However, the molecular mechanisms by which cells assemble and regulate this architecture, and how they become defective in skeletal disease, remain poorly understood.
Our lab tackles this challenge by combining approaches from biology, chemistry and physics to study the matrix at the molecular scale. In particular, we use techniques from the physical sciences including solid-state nuclear magnetic resonance spectroscopy and electron microscopy to directly observe the structure, dynamics and interactions of biomolecules within native tissues. By integrating these methods with molecular biology, genetics and clinical sciences, we aim to reveal how changes in extracellular matrix molecular architecture arise and how they ultimately influence tissue material properties, cell behaviour and disease pathophysiology. Our work will provide fundamental insights into the molecular pathology of musculoskeletal disorders and help identify new strategies for diagnosing and treating skeletal disease.

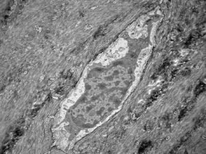
Transmission electron mcroscopy of an osteocyte within its lacunae in decalcified mouse lamellar bone.
OPENING SUMMER 2026
Our lab is opening in the summer and Scott is busy obtaining funding for our first projects. Please check back here for opportunities to work with us soon.
Who we are
Dr Scott Dillon
Group leader (Lecturer in Musculoskeletal Sciences)
Originally from a council estate in Northern Ireland, Scott went on to complete his PhD in developmental biology at the Roslin Institute, University of Edinburgh, under the supervision of Professor Colin Farquharson. Here he studied the role of the phosphatase PHOSPHO1 within extracellular matrix vesicles in biomineralisation of the developing skeleton using interdisciplinary techniques including ‘omics technologies and advanced electron microscopy.
After his PhD he joined the Wellcome-MRC Cambridge Stem Cell Institute where he established and managed a new biological electron microscopy facility. Scott joined Professor Melinda Duer’s group at the Yusuf Hamied Department of Chemistry, University of Cambridge, in 2022 to study the regulatory effect of intermolecular crosslinks on the molecular conformation and dynamics of collagen using physical sciences approaches including solid state nuclear magnetic resonance spectroscopy. Here he also continued his work in biomineralisation, with a focus on the molecular structure of bone mineral in hypophosphatasia patients.
Scott established the Dillon Lab at the Blizard Institute and Academic Centre for Healthy Ageing, Queen Mary University of London, in 2026.

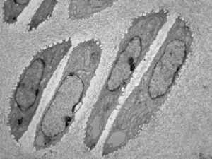
We love microscopy
Microscopy is a central tool in our lab, allowing us to explore the structure of biological tissues across many different length scales. We use techniques encompassing many forms of light and electron microscopy. To use any of our images please contact Scott at sd723@cam.ac.uk.
Contact us
Our lab is based in the Blizard Institute, Queen Mary University of London. To enquire about our work, please contact Scott at sd723@cam.ac.uk.
